產品描述
WR□工業熱電偶又稱裝配熱電偶,與顯示儀表配套,可在-200~1600℃溫度范圍內進行溫度測量,廣泛應用于航天航空、原子能、石油、化工、冶金、機械等部門和科學技術領域。
裝(zhuang)配熱電偶通常由感溫元件、外保護管、接(jie)線盒及(ji)安裝(zhuang)固定(ding)裝(zhuang)置(zhi)組成。
1.1工作原理
由(you)兩(liang)種(zhong)不同(tong)(tong)化學成(cheng)份均質導體(電(dian)極)組(zu)成(cheng)閉(bi)合回路(lu),當兩(liang)端存在溫(wen)(wen)差時(T≠T0),兩(liang)端之間就(jiu)產生(sheng)電(dian)動(dong)(dong)勢(shi),回路(lu)中就(jiu)會有電(dian)流通過,該現(xian)象稱之為(wei)溫(wen)(wen)差電(dian)現(xian)象,該電(dian)動(dong)(dong)勢(shi)稱之為(wei)熱(re)電(dian)動(dong)(dong)勢(shi),如果(guo)接上電(dian)位(wei)差計,電(dian)位(wei)差計上會顯示熱(re)電(dian)動(dong)(dong)勢(shi)值(zhi)。導體兩(liang)端溫(wen)(wen)差的(de)(de)大(da)小(xiao),所產生(sheng)的(de)(de)熱(re)電(dian)動(dong)(dong)勢(shi)的(de)(de)大(da)小(xiao)也(ye)不同(tong)(tong),反之根(gen)據不同(tong)(tong)的(de)(de)熱(re)電(dian)動(dong)(dong)值(zhi)就(jiu)會知道導體兩(liang)端的(de)(de)溫(wen)(wen)度差大(da)小(xiao)。
1.2主要特點:測溫范圍寬、使用(yong)壽命長、安裝(zhuang)使用(yong)方便
1.3主要技術參數
裝配熱電偶的品(pin)種、允差等級(ji)
裝配熱電偶(ou)絕緣電阻
裝(zhuang)配熱電偶保護管(guan)材(cai)質、熱響應(ying)時間及長度列表1-3
不(bu)同材(cai)質保護管適用溫度范圍
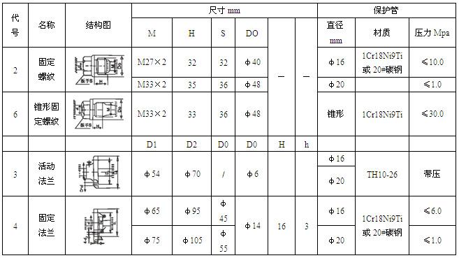
1.4典型(xing)的接線盒(he)形式
1.5典型(xing)的(de)安裝固定(ding)形式
1.6典(dian)型的裝配熱電偶形(xing)式(shi)
訂貨注意事項
產品(pin)名稱(cheng) 產品(pin)型號(hao)
實際測溫范圍
可單獨(du)提供(gong)感(gan)溫元件:型號:WR口一010,總長(chang):L+20mm
特殊產品協議供貨
舉例:一支(zhi)鎳鉻一鎳硅雙支(zhi)熱電偶,帶(dai)固定螺(luo)紋、防水接線盒,外徑(jing)為(wei)Φ20,,1Cr18Ni9Ti保護管,精度為(wei)II級、插入(ru)深度為(wei)650mm,標注為(wei):WRNz-231 II /750 x 600
1.7 耐溫(wen)、耐磨,抗腐蝕(shi)等(deng)特(te)殊環境下使用的(de)熱電偶
本熱電偶主要是利用(yong)(yong)耐(nai)高(gao)溫(wen)、高(gao)硬度且杭沖刷和(he)抗強腐(fu)蝕(shi)(shi)的金屬管(guan)或(huo)非(fei)金屬管(guan)作為熱電偶外保護管(guan),適用(yong)(yong)于生(sheng)產過(guo)程中具有強度蝕(shi)(shi)或(huo)激烈沖刷環(huan)境下的高(gao)溫(wen)測(ce)量,廣泛月于冶煉玻璃、化學(xue)化工(gong)、陶(tao)瓷(ci)燒結、水泥生(sheng)產、軍工(gong)和(he)科(ke)學(xue)試驗等領域(yu)。
任何一(yi)種(zhong)金(jin)屬材料(liao)或非金(jin)屬材料(liao)要(yao)做到既抗(kang)腐(fu)蝕又耐(nai)磨還要(yao)測(ce)高溫(wen)幾乎很難做到.一(yi)般只(zhi)能根據使用(yong)的(de)主要(yao)環境進行擇優選用(yong)。根據本廠多(duo)年的(de)研(yan)究和現場提(ti)供的(de)應用(yong)實例。現提(ti)供幾種(zhong)主要(yao)的(de)不(bu)同材料(liao)的(de)熱(re)電偶保(bao)護(hu)管。供用(yong)戶(hu)選用(yong)時參(can)考。
